推薦產品
咨詢熱線:
郵件: oklzq@aliyun.com
電話:0317-8309525
地址: 河北省泊頭市南倉街
-
產品詳情

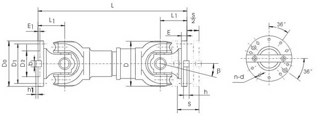
SWP-G型有伸縮超短型萬向聯軸器
| 型號 | 回轉直徑 D mm | 公稱轉矩 Tn kN·m | 疲勞轉矩 Tf kN·m | 軸承折角 β (°) | 伸縮量 s mm | 尺寸mm | |||||||||
| Lmin | D0 | D1 | D2 | F | E1 | b×h | h1 | L1 | n-d | ||||||
| SWP225G | 225 | 18 | 8 | ≤5 | 40 | 435 | 275 | 248 | 135 | 15 | 5 | 32×18 | 9 | 68 | 10-15 |
| SWP250G | 250 | 25 | 11.2 | ≤5 | 40 | 515 | 305 | 275 | 150 | 15 | 5 | 40×25 | 12.5 | 80 | 10-17 |
| SWP285G | 285 | 35.5 | 16 | ≤5 | 40 | 565 | 348 | 314 | 170 | 18 | 7 | 40×30 | 15 | 90 | 10-19 |
| SWP315G | 315 | 50 | 25 | ≤5 | 40 | 620 | 360 | 328 | 185 | 18 | 7 | 40×30 | 15 | 100 | 10-19 |
| SWP350G | 350 | 71 | 35.5 | ≤5 | 55 | 715 | 405 | 370 | 210 | 22 | 8 | 50×32 | 16 | 108 | 10-21 |
注:標記示例:回轉直徑D=315mm,安裝長度L=620mm,G型有伸縮長型萬向聯軸器。
SWP315G×620聯軸器
SWP-G型有伸縮超短型萬向聯軸器利用其機構的特點,使兩軸不在同一軸線,存在軸線夾角的情況下能實現所聯接的兩軸連續回轉,并可靠地傳遞轉矩和運動。萬向聯軸器的特點是具有較大的角向補償能力,結構緊湊,傳動效率高。





